เครื่องส่งสัญญาณความดันแตกต่างแบบคาปาซิทีฟ เป็นอุปกรณ์สำคัญใน ระบบเครื่องมือวัดอุตสาหกรรม และ กระบวนการอัตโนมัติ สมัยใหม่ เครื่องส่งสัญญาณเหล่านี้ใช้เทคโนโลยีการตรวจจับแบบคาปาซิทีฟขั้นสูงเพื่อวัดความดันแตกต่าง ความดันเกจ และความดันสัมบูรณ์ด้วยความแม่นยำสูงและเสถียรภาพในระยะยาว แตกต่างจากเซ็นเซอร์ความดันเชิงกลแบบดั้งเดิม เครื่องส่งสัญญาณเหล่านี้ ไม่มีกลไกการส่งสัญญาณเชิงกลแบบเคลื่อนที่ ทำให้มีขนาดกะทัดรัด ทนทาน และทนต่อการสั่นสะเทือนสูง การปรับค่าศูนย์และช่วงสแปน แบบอิสระช่วยให้มั่นใจได้ถึงความแม่นยำโดยไม่มีการรบกวนซึ่งกันและกัน ส่งผลให้มีการใช้งานอย่างแพร่หลายในอุตสาหกรรมต่างๆ

ในประเทศจีน หลายเมืองได้นำสายการผลิตของบริษัท Rosemount จากสหรัฐอเมริกามาใช้ ซึ่งผลิตแบบจำลองต่างๆ สำหรับการวัด ความดันต่าง ความดันเกจ และ ความดันสัมบูรณ์ บางหน่วยยังรวม การสกัดรากที่สอง สำหรับ การวัดการไหล รวมถึงรุ่นที่ออกแบบมาสำหรับการใช้งานกับ ความดันสถิตสูง และ ความดันต่างระดับจุลภาค
เครื่องส่งสัญญาณความดันต่างแบบคาปาซิทีฟโดยทั่วไปประกอบด้วยหน่วยหลักสองหน่วย ได้แก่ ส่วนการวัด และ ส่วนการแปลง/ขยายสัญญาณ ดังที่แสดงใน รูปที่ 1

รูปที่ 1: แผนผังวงจรเครื่องส่งสัญญาณความดันต่างแบบความจุ
1—ออสซิลเลเตอร์ 2—เซ็นเซอร์แบบคาปาซิทีฟ 3—ดีโมดูเลเตอร์ 4—การปรับช่วง 5—ตัวจำกัดกระแส
6—เครื่องขยายสัญญาณกำลัง 7—เครื่องขยายสัญญาณปฏิบัติการ 8—การปรับค่าศูนย์และการโยกย้ายค่าศูนย์
9—เครื่องขยายสัญญาณควบคุมการแกว่ง 10—แหล่งจ่ายแรงดันอ้างอิง 11—ตัวควบคุมแรงดัน 12—การป้องกันการกลับขั้ว
เซ็นเซอร์แบบคาปาซิทีฟ จะแปลงค่าความดันแตกต่าง (ΔP) ที่วัดได้ให้เป็นค่าความจุที่เปลี่ยนแปลง ตัวเก็บประจุดิฟเฟอเรนเชียลสูงและต่ำ ได้แก่ C H และ C L จะถูกกระตุ้นโดย ออสซิลเลเตอร์ความถี่สูง การเปลี่ยนแปลงของกระแสที่เกิดขึ้นจะถูกดีมอดูเลตเพื่อสร้างสัญญาณดิฟเฟอเรนเชียล ( i L − i H ) และสัญญาณโหมดทั่วไป ( i L + i H )
สัญญาณดิฟเฟอเรนเชียลจะถูกเปรียบเทียบกับสัญญาณป้อนกลับ ( I f ) จากนั้นจะถูกขยายและแปลงเป็น เอาต์พุต DC 4-20mA กระแสเอาต์พุตนี้จะไหลผ่าน ความต้านทานโหลด และเครือข่ายป้อนกลับ โดยรักษา ความสัมพันธ์เชิงเส้น ระหว่างสัญญาณดิฟเฟอเรนเชียลและกระแสเอาต์พุต
เซ็นเซอร์แบบคาปาซิทีฟ ประกอบด้วยแผ่นอิเล็กโทรดแบบคงที่และไดอะแฟรมวัดแบบเคลื่อนที่ได้ ซึ่งประกอบด้วยตัวเก็บประจุสองตัว ( C H และ C L ) ที่เชื่อมต่อกับห้องแรงดันสูงและแรงดันต่ำ เมื่อใช้แรงดันต่าง ไดอะแฟรมจะเบี่ยงเบน ทำให้ค่าความจุเปลี่ยนแปลงไป ออสซิลเลเตอร์ความถี่สูง (โดยทั่วไปคือ 32 kHz) จะแปลงการเปลี่ยนแปลงค่าความจุเหล่านี้เป็นค่าความแปรผันของกระแสไฟฟ้า ซึ่งจะถูกขยายและแก้ไขเพื่อสร้าง สัญญาณไฟฟ้ากระแสตรงขนาด 4-20 มิลลิแอมป์ ซึ่งเป็นสัดส่วนกับแรงดันต่าง ΔP ที่ใช้
เมื่อใช้เครื่องส่งสัญญาณสำหรับ การวัดอัตราการไหล เช่น กับ แผ่นออริฟิส ท่อเวนทูรี หรือหัวฉีด สัญญาณจะถูกส่งผ่าน ตัวแยกรากที่สอง เพื่อหาความสัมพันธ์เชิงเส้นกับอัตราการไหล อุปกรณ์ทำงานบน ระบบไฟฟ้ากระแสตรง 24 โวลต์ แบบสองสาย รองรับแรงดันไฟฟ้าตั้งแต่ 12–45 โวลต์ กระแสตรง และ ความต้านทานโหลดสูงสุด 600 โอห์ม
เซ็นเซอร์วัดความดันต่างแบบคาปาซิทีฟสองห้อง แสดงอยู่ใน รูปที่ 2

รูปที่ 2: โครงสร้างสองห้องของเซ็นเซอร์ความดันต่างแบบคาปาซิทีฟ
1, 4—ไดอะแฟรมแยกรูปแบบคลื่น; 2, 3—ฐานสแตนเลส; 5—ชั้นกระจก; 6—ฟิล์มโลหะ; 7—ไดอะแฟรมวัด
ในโครงสร้างนี้ ฟิล์มโลหะ (6) ทำหน้าที่เป็นอิเล็กโทรดคงที่ ในขณะที่ ไดอะแฟรมวัด (7) ทำหน้าที่เป็นอิเล็กโทรดเคลื่อนที่ ทั้งสองด้านของไดอะแฟรมประกอบกันเป็นสองห้องแยกกันซึ่งบรรจุด้วย น้ำมันซิลิโคน ของไหลที่ไม่สามารถบีบอัดได้จะส่งผ่านความดันต่าง ๆ Δp = p_H − p_L ไปยังพื้นผิวไดอะแฟรม
เมื่อ Δp = 0 ความจุทั้งสองด้าน ( C H และ C L ) จะเท่ากัน เมื่อ Δp ≠ 0 ไดอะแฟรมจะเบี่ยงไปทางด้านความดันต่ำ ทำให้ C L > C H
การใช้ ความจุเชิงอนุพันธ์ ช่วยลดข้อผิดพลาดที่เกิดจากการเปลี่ยนแปลงอุณหภูมิในค่าคงที่ไดอิเล็กตริก จึงปรับปรุง ความไว ความแม่นยำ และความเป็นเส้นตรง ซึ่งเป็นปัจจัยสำคัญใน การควบคุมกระบวนการทางอุตสาหกรรม และ การวัดแรงดัน
เมื่อ Δp ≠ 0 การเปลี่ยนแปลงของความจุจะแสดงอยู่ใน รูปที่ 3

รูปที่ 3: การเปลี่ยนแปลงความจุทั้งสองด้านเมื่อมีความดันต่างกัน
สมการ: 

สำหรับไดอะแฟรมที่มีแรงตึงเริ่มต้น การโก่งตัวจะแปรผันตามแรงดันที่แตกต่างกัน: 
ในที่นี้ K ₁ คือค่าคงที่โครงสร้างที่ขึ้นอยู่กับความโค้งของไดอะแฟรม ระยะห่างระหว่างอิเล็กโทรด และแรงตึงเชิงกล ความสัมพันธ์นี้ช่วยให้มั่นใจได้ว่า กระแสเอาต์พุต จะแปรผันตรงกับ ความดันต่างที่ ใช้ ซึ่งทำให้มีความแม่นยำในการวัดที่ยอดเยี่ยม
เซ็นเซอร์วัดแรงดันแบบคาปาซิทีฟ จะแปลงแรงดันต่างให้เป็นการเปลี่ยนแปลงความจุตามสัดส่วน การวัดความจุนี้ต้องใช้ การกระตุ้นด้วยไฟฟ้ากระแสสลับความถี่สูง โดยทั่วไปอยู่ที่ประมาณ 32 kHz

รูปที่ 4: วงจรออสซิลเลเตอร์ รูปที่ 5: แหล่งจ่ายไฟออสซิลเลเตอร์
วงจรออสซิลเลเตอร์ (รูปที่ 4)
วงจรนี้ประกอบด้วยขดลวด (ขั้ว 6, 8 และ 5, 7) และตัวเก็บประจุ C₂₀ ซึ่งประกอบกันเป็นลูปเรโซแนนซ์ที่เชื่อมต่อกับทรานซิสเตอร์ VT₁ ตัวต้านทานไบแอส R₂₉ กำหนดจุดทำงานสถิต ความถี่ถูกกำหนดโดยค่าเหนี่ยวนำ L และค่าความจุ C
แหล่งจ่ายไฟออสซิลเลเตอร์ (รูปที่ 5)
เนื่องจากการวัดค่าความจุอาศัยแรงดันไฟฟ้ากระแสสลับ แรงดันไฟฟ้าของออสซิลเลเตอร์จึงต้องคงที่ วงจรควบคุมป้อนกลับเชิงลบ จะรักษาแรงดันไฟฟ้าให้คงที่โดยอัตโนมัติ พร้อมทั้งรับประกันแอมพลิจูดเริ่มต้นที่เพียงพอ

ตามที่แสดงใน รูปที่ 6 วงจรสร้างกระแสแบบความจุ และเครือข่ายการสร้างแรงดันไฟฟ้าจะรักษาการกระตุ้นที่คงที่

รูปที่ 6: วงจรสร้างกระแสแบบความจุและ วงจรสร้าง แรงดันไฟฟ้า U ₂
เมื่อ Δp ≠ 0, C_H จะลดลงและ C_L จะเพิ่มขึ้น และกระแสรวมผ่านทั้งสองจะแสดงเป็น:

การตอบรับอัตโนมัติช่วยให้มั่นใจว่า I L + I H = K₂ (ค่าคงที่) รักษาเสถียรภาพแรงดันไฟฟ้าและความไวที่สม่ำเสมอ
ในวงจรสร้างกระแสไฟฟ้าแบบคาปาซิทีฟ: ![]()
![]()
![]()
การแทนที่ความสัมพันธ์ก่อนหน้านี้: 
กระแสไฟขาออกรวม: ![]()
ดังนั้น สัญญาณเอาต์พุต 4-20 mA ของ เครื่องส่งสัญญาณความดันต่างแบบคาปาซิทีฟ จึง แปรผันตรง กับความดันต่างที่ใช้
อุปกรณ์นี้ยังให้ การปรับค่าเป็น ศูนย์ การสอบเทียบช่วง และ การป้องกันขั้วกลับ ช่วยให้มั่นใจได้ถึงการทำงานที่เสถียรและปลอดภัยในระบบ การวัดแรงดันในอุตสาหกรรม
เครื่องส่งสัญญาณแรงดัน ซีรีส์ SH ที่ผลิตโดย silverinstrumens.com เป็น เครื่องส่งสัญญาณแรงดันแบบสองสาย 4-20 mA ที่ใช้กันอย่างแพร่หลาย ออกแบบมาเพื่อ สภาพแวดล้อมที่ปลอดภัยและป้องกันการระเบิด
ข้อมูลจำเพาะที่สำคัญ

รูปที่ 7: ความสัมพันธ์ระหว่างแรงดันไฟฟ้าของแหล่งจ่ายไฟและความต้านทานโหลด
เมื่อแรงดันไฟฟ้าที่จ่ายผันผวน ±1 V การเปลี่ยนแปลงของกระแสเอาต์พุตจะยังคงต่ำกว่า 0.005% ช่วยให้ สัญญาณมีเสถียรภาพและมีความแม่นยำสูง
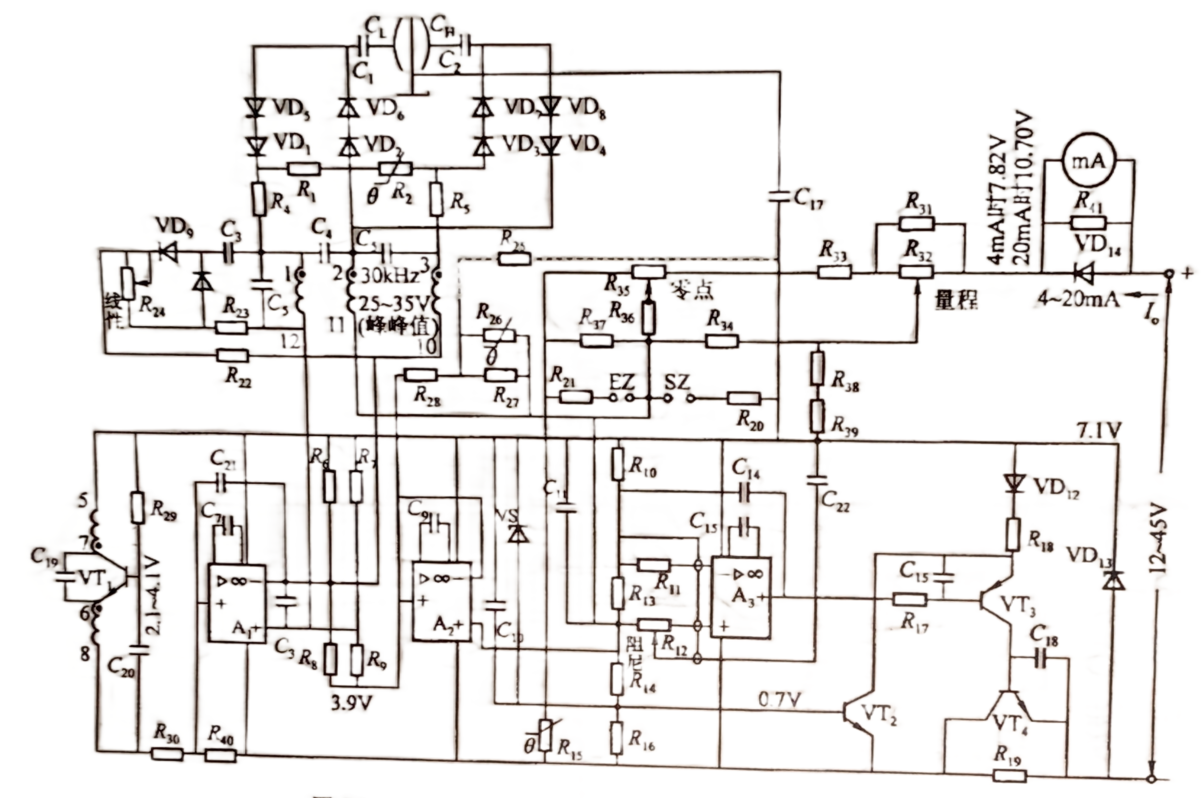
วงจรโดยรวมของ เครื่องส่งสัญญาณความดันต่าง SHGP/SHDP แสดงใน รูปที่ 8

รูปที่ 8: การออกแบบวงจรของเครื่องส่งสัญญาณความดันแบบ Capacitive Pressure Transmitter/DP รุ่น SH ซีรีส์
ส่วนประกอบและฟังก์ชั่นหลัก:
องค์ประกอบเหล่านี้ช่วยให้มั่นใจถึงประสิทธิภาพที่แม่นยำและเสถียรในสภาวะอุตสาหกรรมที่หลากหลาย ทำให้ซีรีส์ SHGP/SHDP เป็นหนึ่งใน เครื่องส่งสัญญาณความดันต่างแบบคาปาซิทีฟที่เชื่อถือได้ มากที่สุดสำหรับ การควบคุมกระบวนการและเครื่องมือวัด ทั่วโลก
เครื่องส่งสัญญาณแรงดันต่ำ
2025/10/12
เครื่องส่งสัญญาณแรงดันต่ำ :16-60 mbar ความแม่นยำสูง: ±0.1~0.5% โปรโตคอล Hart เอาต์พุต 4-20mA จอแสดงผลแบบดิจิตอล mbar, psi, pa.
VIEW
เซ็นเซอร์วัดแรงดันเซรามิก
2025/10/12
เซ็นเซอร์วัดแรงดันแบบความจุเซรามิก เซ็นเซอร์แบบฝังเรียบและทนต่อการเสียดสี เซ็นเซอร์วัดแรงดันเอาท์พุต 4-20mA สำหรับอุตสาหกรรมเยื่อและกระดาษ
VIEW
เซ็นเซอร์วัดแรงดันแบบคาปาซิทีฟ 3351
2025/10/12
เซ็นเซอร์วัดแรงดันแบบความจุหรือเซ็นเซอร์วัดแรงดันต่าง 3351 ความแม่นยำ: ± 0.1%; 0-40Mpa;
VIEW
เครื่องส่งสัญญาณความดันรุ่น SH 308
2025/10/12
ต้นทุนแรงดันเพียโซรีซิสต์ต่ำ ตัวแปลงแรงดันสูงสูงสุด 10,000 PSI; ได้รับการรับรองจาก ATEX
VIEW
เครื่องส่งสัญญาณแรงดันพร้อมซีลไดอะแฟรมระยะไกล
2025/10/12
ไดอะแฟรมระยะไกลสำหรับของเหลวที่มีฤทธิ์กัดกร่อนหรือมีความหนืด เครื่องส่งสัญญาณ DP หรือเครื่องส่งสัญญาณแรงดัน 316L,HC, สีแทน, ไดอะแฟรมโมเนล
VIEW
เครื่องส่งสัญญาณแรงดันและ DP พร้อมไดอะแฟรมหน้าแปลน
2025/10/12
เครื่องส่งสัญญาณไดอะแฟรมหน้าแปลน สำหรับแรงดัน ระดับ หรือ DP; เครื่องส่งสัญญาณดิจิตอลพร้อมจอแสดงผล LCD; HART, 4-20mA หรือ MOUBUS;
VIEW